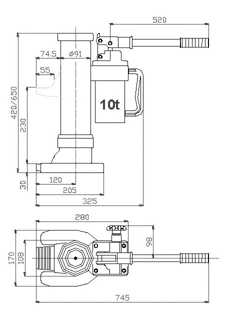
Podnośnik hydrauliczny słupkowy POWERTEX PTJ-S1

PTJ-S1 jest łatwy w obsłudze dzięki odłączanemu uchwytowi. Podnośnik może podnosić za pomocą trzpienia podnośnika lub z użyciem górnej płyty, a udźwig jest taki sam dla obu punktów podnoszenia.

Cechy:

- Każdy podnośnik hydrauliczny jest testowany dynamicznym obciążeniem próbnym przy użyc

Pokaż więcej

  • Attribute icon

PTJ-S1 jest łatwy w obsłudze dzięki odłączanemu uchwytowi. Podnośnik może podnosić za pomocą trzpienia podnośnika lub z użyciem górnej płyty, a udźwig jest taki sam dla obu punktów podnoszenia.

Cechy:

- Każdy podnośnik hydrauliczny jest testowany dynamicznym obciążeniem próbnym przy użyciu obciążenia 1 x WLL przez pełny cykl jazdy i sprawdzany przed dostawą.
- Podnośnik jest wyposażony w urządzenie zabezpieczające przed przeciążeniem.
- Obróbka powierzchni wolna od chromu 6.
- Wyposażony w chip RFID.
- Certyfikat POWERTEX 2.2 i Deklaracja EC dostarczane z każdym podnośnikiem.
- Instrukcja obsługi w 14 językach dołączona do każdego dźwignika.
- Kod QR umożliwiający dostęp na miejscu do wielojęzycznej instrukcji obsługi.
- Spełnia wymagania dyrektywy maszynowej 2006/42/WE.

  • Materiał: Mocna, całkowicie stalowa konstrukcja
  • Znakowanie: zgodnie z normą, oznaczenie CE, POWERTEX, model, DOR, data produkcji i numer seryjny
  • Zakres temperatur: -20°C do +50°C
  • Zakończenie: Malowane proszkowo
  • standard: EN 1494